Печь для хлеба подовая Miwe CO 2.1208 2.0+DH190+DE140+H2 220+ZF320+GS543+R170

В избранное
германия
  • Код товара283235
  • ПроизводительMiwe, Германия
  • Вольтаж (В)380 V
  • Мощность (Вт)21 500 Вт
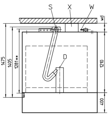
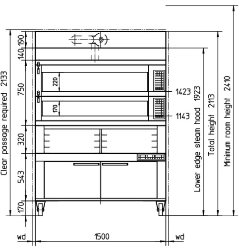
  • Габариты нетто (мм)1500x1210x2113
  • Количество камер (шт)2
  • Объём нетто (м3)3,835090
  • Гарантия1 год
  • Все характеристики
Задать вопрос

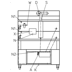
Печь подовая электрическая двухкамерная, серии Сondo, с компьютерным программным управлением ТС для каждой пекарной камеры, дверями со стеклом; оснащена вытяжным козырьком с вентилятором, вставкой высотой 140мм под вытяжным зонтом, промежуточной вставкой высотой 320мм на 2х3 противня, расстоечным шкафом с программным управлением FP3, 10 парами направляющих (2х5) под противни, роликами высотой 170мм.

Внутренние габариты камер: 1200х800х170мм (1 нижняя) и 1200х800х220мм (1 верхняя). Максимальная рабочая температура: +320С. Площадь пода каждой пекарной камеры - 0,96м2. Мощность пароувлажнителя - 9000Вт. Высота вытяжки - 190мм. Внешние размеры расстойки (без учёта высоты колёс) - 1500x1210x543мм.

Печь имеет:

  • каменные поды, армированные стекловолокном;

  • 3 уровня мощности для экономии энергии;

  • отложенного старта и быстрого нагрева;

  • увеличенной мощности ТЭНы в зоне стекла;

  • устройство пароувлажнения – отдельный парогенератор для каждой пекарной камеры;

  • счётчик воды для каждого пода;

  • блок предохранителей с подключением к каждому поду;

  • электрический клапан отвода пара для каждого пода;

  • функцию переворота стекла для лёгкой очистки.

Разъем USB располагается с фронтальной стороны. Модульная и многофункциональная пекарная печь с щадящей атмосферой выпечки (тепло излучения) обогревается электричеством. Универсальная печь выпекает различные хлебобулочные изделия: от восприимчивых легких кондитерских изделий до тяжелого крестьянского хлеба, а также может поддерживать продукцию теплой, разогревать и даже жарить.

Одновременное выпекание абсолютно разных продуктов возможно благодаря отдельным системам управления и пароувлажнителям в каждой пекарной камере. Герметичный, мощный пароувлажнитель для интенсивного пара и великолепной корки является отдельной частью конструкции с автономным обогревом, который предотвращает возможность температурных отклонений в камере.

Для достижения наилучших результатов выпечки управление верхним и нижним обогревом производится для каждого пода раздельно. Паронепроницаемые, ввинченные в боковую стенку электрические нагревательные стержни из высококачественной стали установлены прямо в камере.

Печь изготовлена из высококачественной нержавеющей стали, поставляется в собранном виде. Печь может использоваться в пекарнях, кондитерских, гостиницах, в сфере гастрономии, кейтеринга или как мобильная хлебопекарная печь на различных мероприятиях.